Hoş Geldiniz
Hızlı ve güvenli alışverişe giriş yapın!
Henüz Üye Değil Misiniz?
Kolayca üye olabilirsiniz!
DURAVIS Elektrikli Aktüatör 30Nm 24V

DURAVIS Elektrikli Aktüatör 30Nm 24V

Marka
Stok Kodu
EAP-003-1211
Garanti Süresi
24 Ay
Liste Fiyatı
188,19 USD + Kdv
%30
158,08 USD
225,83 USD
158,08 USD den başlayan taksitlerle!

DURAVIS Elektrikli Aktüatör 30Nm 24V

ORFA Endüstriyel Güvencesiyle Vanalar ve Damperlerin Hassas Kontrolü

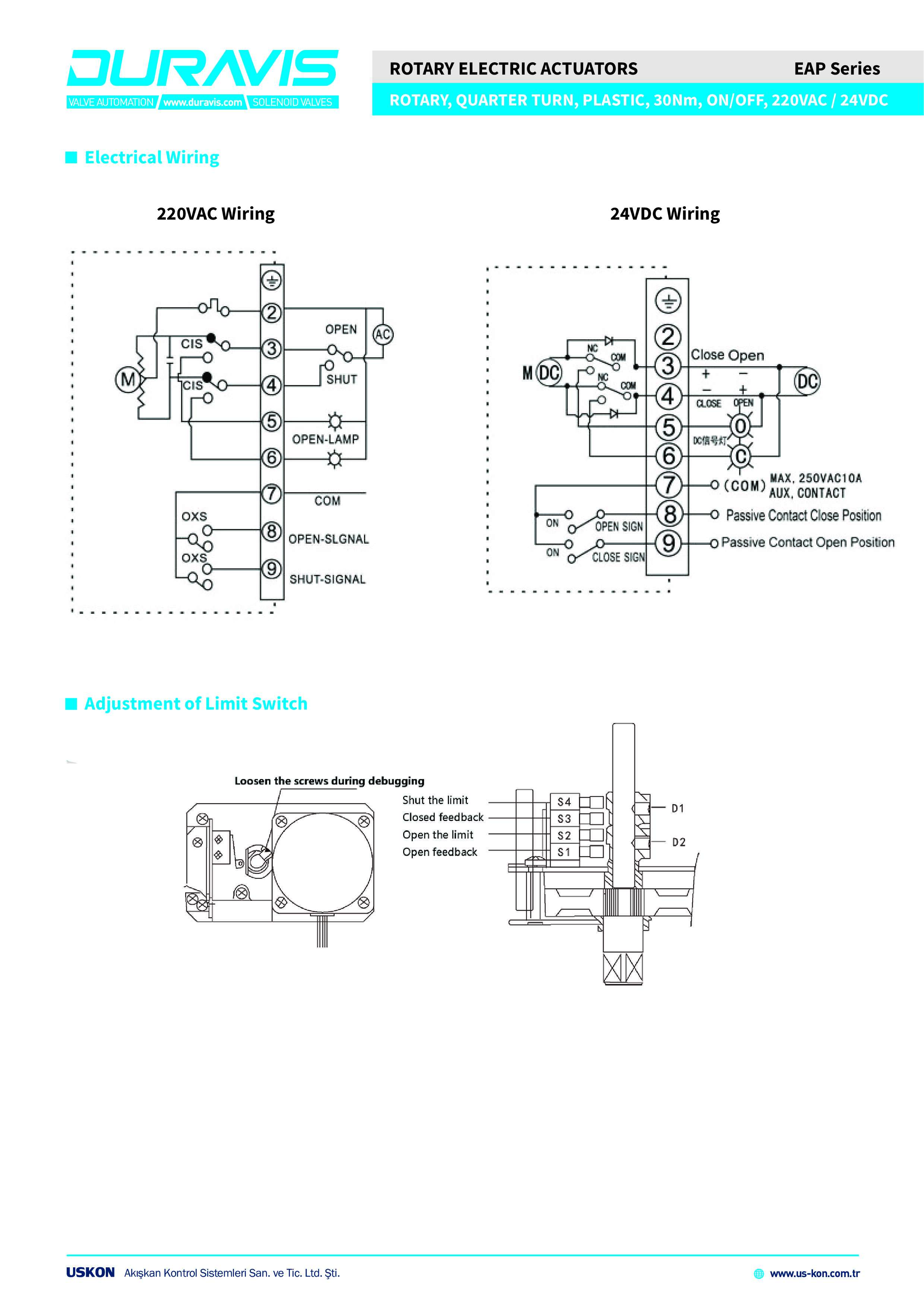
Endüstriyel tesisatların otomasyon sistemlerinde kritik bir bileşen olan elektrikli aktüatör, elektrik enerjisini mekanik hareket enerjisine dönüştürerek vanalar ve damperlerin dakik kontrolünü sağlar. DURAVIS markasının güvenilir teknolojisiyle tasarlanan bu elektrikli aktüatör, 30 Nm tork kapasitesiyle çeyrek turlu dönel hareketle çalışan vanalar için ideal bir çözümdür. Güçlü elektrik motoru içeren profesyonel elektrikli aktüatör, dişlilerin iç mekanizmada rotasyonel hareketi sağlayarak sabit ve istikrarlı tork elde edilmesini garanti eder. 24 VAC/DC nominali ile standart endüstriyel gerilim aralığında sorunsuzca faaliyet gösteren bu elektrikli aktüatör, on-off kontrol modu ile basit ancak etkili bir denetim sunmaktadır. ORFA Endüstriyel stoklarından temin edebileceğiniz DURAVIS elektrikli aktüatör, 5 ile 15 saniye arasında değişen hızlı çevrim süresiyle zamandan tasarruf sağlayarak operasyonal verimlilik artırır. IP67 koruma sınıfı ile yapı dışı şartlarda ve nemli ortamlarda güvenli bir çalışma performansı sunan elektrikli aktüatör, 11x11 milimetre tahrik mili uyumu ile geniş vana tiplerinin montajına uyumludur. Kompakt ve hafif tasarımı nedeniyle kurulum ve değiştirme işlemleri oldukça basitleştirilen bu elektrikli aktüatör, sıcaklık dalgalanmalarına karşı yüksek direnç gösterir. Dayanıklı iç yapısı, uzun ömürlü ve bakımsız çalışma imkanı sağlayan elektrikli aktüatör birimleri, düşük enerji tüketimi ile yüksek moment kombinasyonu sayesinde işletme maliyetlerini doğrudan minimize eder. Kolay izlenebilir gösterge sistemi bulunan DURAVIS elektrikli aktüatör, kullanıcı dostu bir deneyim ve anlık durum kontrolü sunar. Hidrofor, klima sistemleri, kazan dairesi ve iklim kontrol uygulamalarında tercih edilen bu elektrikli aktüatör çözümü, endüstriyel otomasyonun temel taşlarından biri olarak vana yönetiminde kusursuz bir fonksiyon icra eder.

Elektrikli Aktüatör Teknik Özellik Detayları

Model Bilgisi: DURAVIS EAP Serisi Elektrikli Aktüatör 30Nm
Nominal Tork: 30 Newton Metre
Voltaj: 24 VAC / 24 VDC
Kontrol Modu: On-Off (Açma/Kapama)
Çevrim Süresi: 5 - 15 Saniye
Tahrik Mili: 11 x 11 Milimetre (Kare Profilinde)
Motor Güç: 20 Watt
Nominal Akım: 0,15 Amper (Tam Yük Koşulu)
Vana Bağlantı Seçeneği: F03 / F04 / F05 Standartları
Ağırlık: 1,45 Kilogram
Koruma Sınıfı: IP67 (Toz ve Su Sızdırmazlığı)

Elektrikli Aktüatör Öne Çıkan Avantajları

  • Hızlı Kontrol: 5-15 saniye çevrim süresi ile sınıfında en hızlı elektrikli aktüatör hamlelerini gerçekleştirir.
  • Güçlü Tork: 30 Nm kapasitesi ile zorlu vana tiplerini güvenle açıp kapatan elektrikli aktüatör.
  • Enerji Tasarrufu: Düşük 20W motor gücü ile yüksek moment sağlayan verimli elektrikli aktüatör.
  • Dayanıklı Yapı: IP67 sınıfı ve paslanmaz montaj ögeleri ile long-life elektrikli aktüatör performansı.

Elektrikli Aktüatör Uygulama Sahaları

  • Hidrofor ve pompa otomasyon sistemlerinde vana yönetimi için elektrikli aktüatör.
  • Kazan daireleri ve ısıtma tesisatında dampering kontrolü amaçlı elektrikli aktüatör.
  • Iklimlendirme ve HVAC sistemlerinde derece kontrol vanalarının tahrikine elektrikli aktüatör.
  • Endüstriyel proses sıvıları için 3/2 yollu vana otomasyon çözümü sağlayan elektrikli aktüatör.
DURAVIS elektrikli aktüatör teknolojisiyle endüstriyel otomasyon sistemlerinizde güvenli, verimli ve hızlı vana kontrolünü deneyimleyin.
Bu ürüne ilk yorumu siz yapın!
Ürün hakkında henüz soru sorulmamış.
Bu ürünün fiyat bilgisi, resim, ürün açıklamalarında ve diğer konularda yetersiz gördüğünüz noktaları öneri formunu kullanarak tarafımıza iletebilirsiniz.
Görüş ve önerileriniz için teşekkür ederiz.
Sitemize ilk yorumu siz yapın!
DURAVIS Elektrikli Aktüatör 30Nm 24V DURAVIS elektrikli aktüatör 30Nm 24V ile vanalar ve damperlerin hassas kontrolü. IP67 koruma, 5-15 saniye çevrim, çeyrek turlu vana tahrikine uygun. EAP-003-1211
DURAVIS Elektrikli Aktüatör 30Nm 24V

Tavsiye Et

*
*
*

1985'ten Bu Yana

Özel Fiyatlı
Fırsat Ürünleri

Özenle seçtiğimiz endüstriyel ürünler, ayrıcalıklı koşullarla sizleri bekliyor.

Vitrini Keşfet

stok bitiminde yenilenmeyebilir

ideasoft e-ticaret paketleri ile hazırlandı.