Plastik Seviye Şalteri ELP03
0 - Yorum Yap / Yorumları Oku
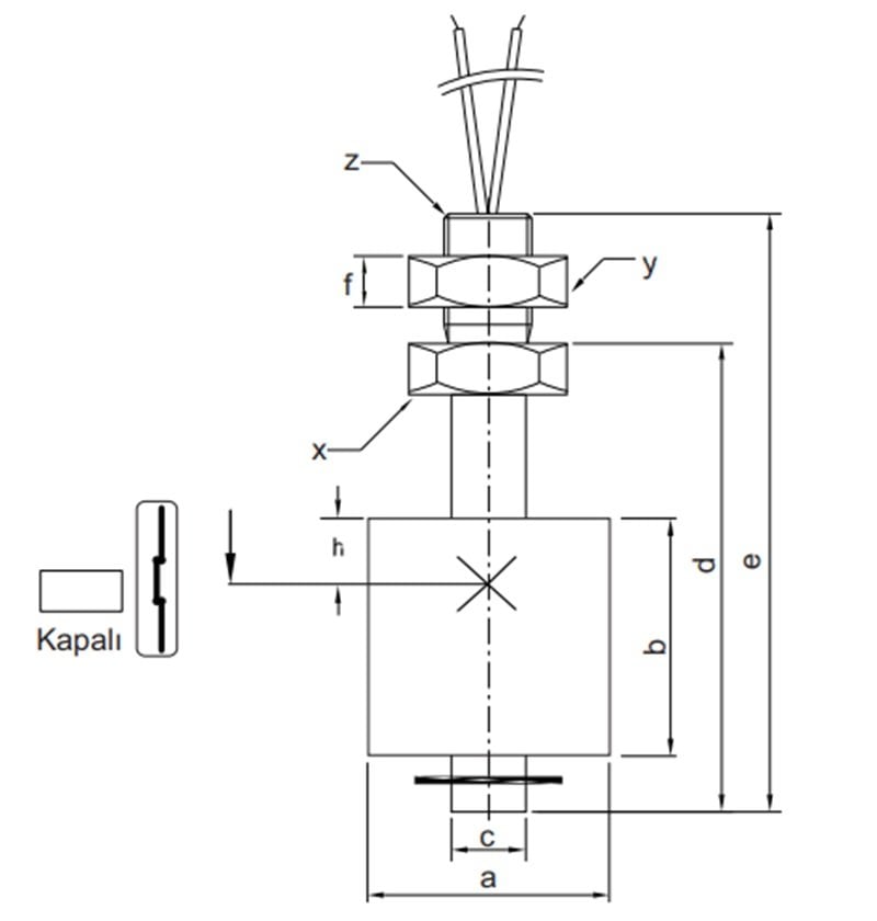
Plastik Seviye Şalteri (ELP Serisi)
ORFA Endüstriyel Mamüller Sanayi ve Ticaret A.Ş. tarafından sunulan ELP serisi Plastik Seviye Şalterleri, endüstriyel tank ve makine uygulamalarında yüksek performans ve güvenilirliği bir araya getirir. Kompakt yapıları sayesinde alan tasarrufu sağlayan bu seviye şalterleri, plastik gövde malzemesi sayesinde agresif akışkanların bulunduğu ortamlarda dahi sorunsuz çalışır. Ekonomik ve kullanıcı dostu tasarımı, makine imalatçıları ve endüstriyel uygulamalar için ideal bir çözüm sunar.
Çalışma Prensibi
Plastik Seviye Şalteri, içerisinde bulunan şamandıra ve manyetik sensörün iş birliği ile çalışır. Şamandıra içindeki mıknatıs, sıvı seviyesine bağlı olarak hareket eder ve bu hareket, tüp içindeki reed sensörü etkileyerek elektrik devresini açar veya kapatır. Şamandıra manyetik alanın etkisinden çıktığında sensör eski konumuna geri döner. Bu basit ama etkili mekanizma, bir röle devresi aracılığıyla tank veya makine içindeki sıvı seviyesinin güvenilir bir şekilde izlenmesini sağlar.
Avantajları
Ekonomik ve Verimli: Maliyet etkin çözümler sunarken performanstan ödün vermez.
Kolay Montaj: Pratik tasarımı sayesinde hızlı ve zahmetsiz kurulum sağlar.
Hızlı Teslimat: Stoktan hızlı temin edilebilmesi, projelerinize hız kazandırır.
Dayanıklı Yapı: Tamamen PP (Polipropilen) malzemeden üretilmiştir, bu sayede kimyasal direnci yüksektir.
Teknik Özellikler
Şamandıra Malzemesi: PP (Polipropilen)
Islak Kısım Malzemesi: PP
Boru Malzemesi: PP
Çalışma Sıcaklığı: -40 °C ile +80 °C arası
Mekanik Bağlantı: 1/2" NPT
Maksimum Basınç: Atm.
Minimum Yoğunluk: 0.70 g/cm³
Elektrik Bağlantısı: Kablo
Şamandıra Sayısı: 1 adet (Standart)
Kontak Sayısı: 1 x SPST - NA
Kontak Akımı: 0.7 A
Maksimum Kontak Gücü: 10 W / VA
Maksimum Besleme Voltajı: 180 VDC / 130 VAC
Kullanım Alanları
Kullanım Alanları
Plastik Seviye Şalteri, geniş bir yelpazede kullanım imkanı sunar. Başlıca uygulama alanları arasında makinalar, endüstriyel tanklar, kazanlar ve gaz ile sıvı ortamların seviye ölçümleri bulunur. Aynı zamanda yüzey ölçümleri ve ortam sıcaklığı izlemeleri gibi özel uygulamalar için de güvenle tercih edilebilir.
Bu kompakt ve dayanıklı seviye şalteri, özellikle dar alanlarda ve agresif akışkanlarla çalışılan ortamlarda mükemmel bir performans sergiler. ORFA Endüstriyel Mamüller Sanayi ve Ticaret A.Ş.'nin kalitesi ve güvencesi ile sizlere sunulan bu ürün, endüstriyel uygulamalarınızda en iyi sonuçları almanıza yardımcı olacaktır.


Bu ürüne ilk yorumu siz yapın!
Ürün hakkında henüz soru sorulmamış.